Эта ewe для вас
Эта Ewe для Вас?
Floyd Koontz, WA2WVL
статья впервые опубликована в QST (ARRL) в феврале 1995 г
Новая разработка
Одним из основополагающих принципов при разработке направленной проволочной антенны является тот, что два (или более) параллельных провода, несущих идентичные РЧ токи дают направленность излучения, не взирая на фазу и амплитуду токов, если провода разнесены на значительное расстояние (более, чем 0,05 длины волны). Я заметил, если короткий провод (менее ¼ длины волны) выгнуть в виде перевёрнутой буквы U и запитать его относительно земли, то можно получить хорошее соотношение излучений вперёд-назад (направленность).
Используя программный материал АО Brian’а Beezley (K6STI), я смоделировал подобную антенну (с нагрузочным резистором между антенной и землёй на дальнем от точки питания конце провода). Результат не преминул сказаться: было получено соотношение излучений вперёд – назад более 30 дБ. Поскольку АО подразумевает подстилающую поверхность земли под антенной с отличной проводимостью, полученный результат кажется подозрительным.
Я загрузил размеры, полученные в программе АО в программу K6STI NEC-WIRES, которая принимает в расчёт проводимость и диэлектрическую постоянную грунта под антенной. По сравнению с АО, результаты снизошли в область 15…20 дБ, но зато соотношение излучений вперёд – назад антенны стало реальным. После небольшой подстройки размеров антенны и значения сопротивления нагрузочного резистора на дальнем конце антенны, соотношение вперёд-назад зашкалило за 30 дБ, и это с куском провода между двумя соединениями с землёй! Что может быть проще?!
А может это антенна Бевереджа?
Эта антенна (Figure 1) сильно напоминает антенну Бевереджа, но работает она совершенно по-другому. При анализе файла RUN в АО, Вы не могли не заметить, что, при оптимальной высоте и длине, между центрами провода 1 и провода 3 сдвиг фазы составляет 45?.
![]() | |
| Figure 1. Ewe является приёмной антенной. Конец антенны, присоединённый к нагрузочному резистору, находится в тылу диаграммы направленности, которая имеет форму кардиоиды.
Incoming Signal – приходящий сигнал. Feed – питание. Termination – нагрузка. |
![]() |
Принимая во внимание 180- градусный сдвиг фазы, обусловленный направлениями токов в проводах 1 и 3, общий сдвиг фазы составляет примерно 135 градусов, - при этом, провод 3 играет роль рефлектора. Из этого можно сделать вывод, что приёмная антенна Ewe, по сути дела, является двухэлементной антенной системой с активным питанием заднего элемента 3 через верхний горизонтальный проводник 2. В проводнике 3 величина тока составляет примерно 65% от тока в проводе 1. На рисунке Figure 2 показаны диаграммы направленности в горизонтальной и вертикальной плоскости одиночной антенны Ewe 80-метрового диапазона, расположенной над усреднённым грунтом. Поскольку часть антенны расположена горизонтально, я задался целью проверить как антенна собирает шумы и помехи, что безусловно должно ухудшить её характеристики. Расчётное усиление антенны в горизонтальной плоскости оказалось, примерно, на 20 дБ ниже, чем в вертикальной и при больших углах со сторон. Удивительно, но - факт: большое соотношение вперёд-назад у антенны держится на протяжении нескольких мегагерц. Этот факт подвиг меня на разработку второй антенны с полосой пропускания 1,8…4,0 МГц. Расчётное соотношение вперёд- назад в этой антенне, на протяжении всего диапазона, составляет более 25 дБ без подстройки. С этой разработкой познакомимся позднее. |
|
Figure 2A. Диаграмма направленности в горизонтальной плоскости одиночной антенны Ewe над усреднённым грунтом. |
|
![]() |
|
|
Figure 2B. Диаграмма направленности в вертикальной плоскости одиночной антенны Ewe над усреднённым грунтом. |
![]() |
|
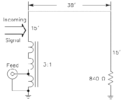
Figure 3. Питаемая снизу антенна EWE высотой 10 футов с согласующим импеданс трансформатором 3 : 1 и резистивной нагрузкой. Length – длина. |
![]() |
|
Figure 4. Питаемая сверху антенна EWE высотой 10 футов с согласующим импеданс трансформатором 3 : 1 и резистивной нагрузкой. |
| Таблица 1- параметры антенны Ewe при питании снизу на частоте 3,8 МГц, при высоте антенны в 10 футов и угле элевации = 30° |
|
Ant. Length (feet) |
F/B (dB) |
Gain (dBi) |
Нагрузка (Ом) |
|
15 |
17.9 |
-21.4 |
650 |
|
20 |
23.5 |
-19.5 |
740 |
|
25 |
34.8 |
-18.0 |
850 |
|
30 |
27.0 |
-16.9 |
870 |
|
35 |
20.1 |
-15.9 |
900 |
(feet)
(dB)
(dBi)
(Ом)
|
Ant. Length (feet) |
F/B (dB) |
Gain (dBi) |
Нагрузка (Ом) |
|
15 |
15.9 |
-22.1 |
825 |
|
20 |
19.3 |
-20.0 |
910 |
|
25 |
24.9 |
-18.3 |
960 |
|
30 |
40.4 |
-17.0 |
970 |
|
35 |
26.6 |
-16.0 |
980 |
Таблица 4 - – Параметры антенныEwe при питании сверху на частоте 1,8 МГц, при высоте антенны в 10 футов и угле элевации = 30° |
Ant.Length (feet) |
F/B (dB) |
Gain (dBi) |
Нагрузка (Ом) |
|
30 |
20.3 |
-27.5 |
1150 |
|
40 |
29.8 |
-25.1 |
1230 |
|
50 |
30.3 |
-23.4 |
1290 |
|
60 |
20.8 |
-22.0 |
1300 |
![]() |
|
Figure 5. Антенна EWE на диапазоны 160/80 метров высотой 15 футов. |
![]() |
|
Figure 6. Система из двух антенн EWE высотой 10 футов |
![]() |
|
Figure 7A. ДН в горизонтальной плоскости двойной Ewe антенны, показанной на рисунке Figure 6. |
![]() |
|
Figure 7B. ДН в вертикальной плоскости двойной Ewe антенны, показанной на рисунке Figure 6. |
Система из двух параллельных антенн![]() |
|
Figure 8. Две антенны Ewe, расположенных параллельно и питаемых синфазно с целью сужения лепестка диаграммы направленности (см. рисунок Figure 9). |

Figure 9. ДН в горизонтальной плоскости антенной системы, показанной на рисунке Figure 8 для различной степени разноса отдельных антенн.
Конструкция
Мало что можно сказать о постройке этой антенны, - всё и так ясно. Высота и длина некритичны и лишь тонкие верёвки или шнуры потребуются для растяжки верхнего провода. Я растянул мою экспериментальную антенну между углом дома и подходящим по местоположению деревянным столбом. Конечно же, подойдут и деревья и мачты. Замечу, что вертикальные провода не должны быть расположены ближе 10 футов к металлической мачте и антенна не должна принимать со стороны расположения металлической мачты (со стороны питающего кабеля, лучше, поставить мачту из диэлектрика (дерева) – UA9LAQ).
В качестве заземляющих я использовал штыри из стали, покрытые медью, длиной 2 фута 8 дюймов, полученные разрезанием 8-футовых штырей заземления на три части, но и одна забитая в землю труба будет работать. Небольшой ферритовый трансформатор (трансформатор, намотанный на ферритовом сердечнике) и потенциометр смонтированы в герметичных коробках, с закреплёнными на их верхних стенках соединительными штырьками. Коробки прикреплены к штырям заземлениях с помощью хомутов из нержавеющей стали. Для полотна антенны можно использовать любой медный провод.
Я использовал пару малошумящих предусилителей с усилением 11 дБ, чтобы довести уровень сигналов, даваемых антенной, до таковых, получаемых от полноразмерных антенн.
Итоги
Антенны более простые, которые работают так, как работает эта, трудно обойти, не обратив на них внимание. Дайте антенне EWE шанс. Я уверен, она Вас не подведёт, особенно, на низкочастотных диапазонах!
(С OK1RR DX & Contesting Page)
Литература:
(1) Floyd Koontz, WA2WVL, "A High-Directivity Receiving Antenna for 3.8 MHz," QST, Aug 1993, pp 31-34.
Свободный перевод с английского: Виктор Беседин (UA9LAQ) ua9laq@mail.ru
г. Тюмень ноябрь, 2004 г









